全国服务咨询热线
0769-87928188
首 页
关于智河
产品中心
服务支持
应用方案
新闻资讯
联系我们
产品展示
Products
自动化设备配件
CNC设备配件
赐福伺服电机
THK
博世力士乐变频器
博世力士乐流水线
联系方式
Contact Us
0769-87928188
0769-87928188
zhihe@wise-river.com
东莞市塘厦镇莲湖路怡景花园二期14栋
当前位置:
首页
>
产品展示
自动化设备配件
MC10空霸睦
阅览次数:
1902
次
产品详细
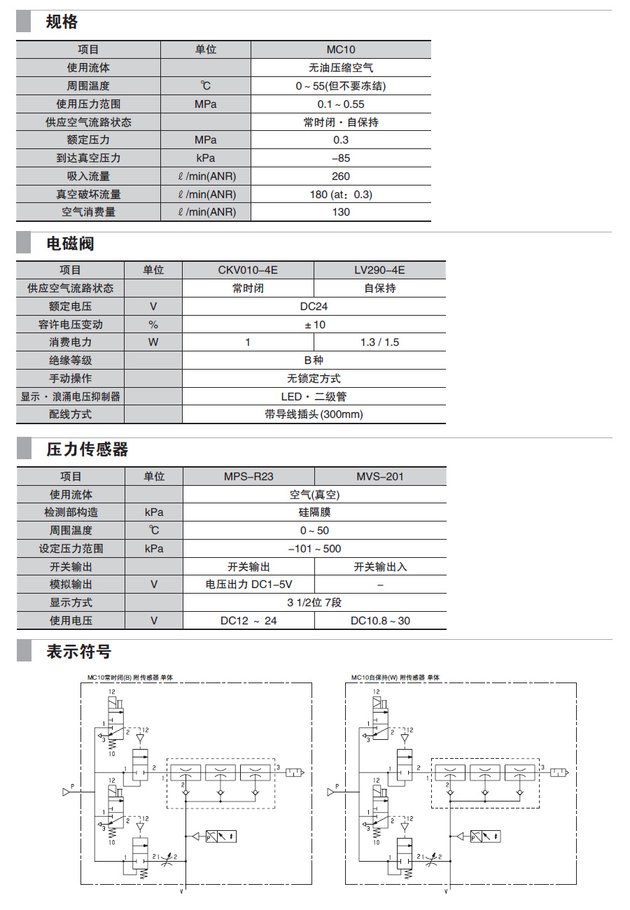
●相当于真空泵规格的大流量发生器
低供应压力确保大吸入流量
0.3MPa→260R/min (ANR)
●省能源·省配线
搭载MVS-201传感器时
可以大幅度的减少空气消费量(真空保持机能)
●附电磁阀型
●简易的直通式配管
快速接头标准搭载
用途例
●各种大型物体的吸附
● 装料机械,冲压间搬运,铁板搬运,纸箱搬运
上一个:
轴承
下一个:
MC72系列